电子邮件: info@antaiospower.com
电话号码:010-52403696
地址:北京市朝阳区建国路93号CBD万达广场10号楼709
| 技术参数 | ||||
| 引擎类型 | BF8L513 / C | BF10L513 | BF12L513 | BF12L513C |
| 取水方式 | 涡轮增压中冷 | 涡轮增压 | 涡轮增压 | 涡轮增压中冷 |
| 缸径/行程(mm) | 125x130 | 125x130 | 125x130 | 125x130 |
| 排量(L) | 12.763 | 15.953 | 19.144 | 19.144 |
| 额定功率(kw) | 206〜243 | 172〜278 | 206〜334 | 230〜410 |
| 额定转速(r / min) | 2300 | 1500〜2300 | 1500〜2300 | 1500〜2300 |
| 最大扭矩/速度(Nm /(r / min) | 1002/1500 | 1400/1400 | 1650/1500 | 1800/1500 |
| 最低油耗(g / kwh) | 212 | 215 | 212 | 210 |
| 怠速(rpm) | 600 | 600 | 600 | 600 |
| 排放 | 欧Ⅱ | 欧Ⅱ | 欧Ⅱ | 欧Ⅱ |
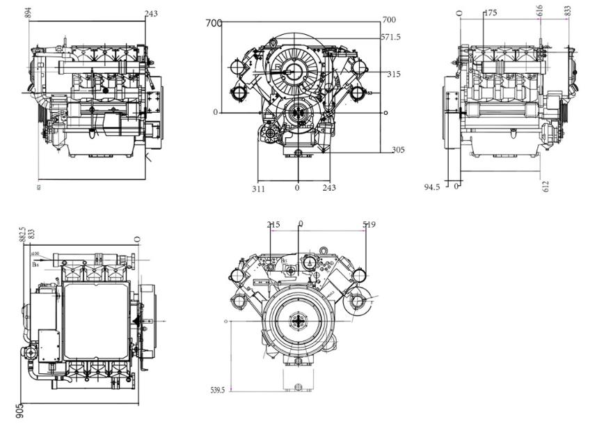
| 尺寸(毫米) | 1159x1144x1043 | 1272x1138x1067 | 1380x1573x1192 | 1380x1573x1192 |
| 重量(公斤) | 920 | 1140 | 1250 | 1300 |
| 发动机剖面 |

| 技术指标 |
标准配置
1.消音器
2.空气滤清器
3.鼓风机
4.413系列,带机械式调速器,包括停机电磁铁,513系列,带电子式调速器
5.SAE1尺寸:14 \“齿数:167
6.机油压力传感器,速度传感器,气缸温度传感器,机油温度传感器
7.交流发电机28V
8.起动器24V
9.预热插头24V
10.机油滤清器
11.燃油滤清器
12.燃油滤网
13.空气滤清器
14.英文手册
15.英文备件目录
16.英文测试报告
17. 513系列:套件中的其他材料
(包括一些电连接器和信号灯)
任选配置可选配置
1。散热器
2。连接管
3。中冷器
4。油水分离器
5,其他
其他
| 技术参数 | ||||
| 引擎类型 | BF8L513 / C | BF10L513 | BF12L513 | BF12L513C |
| 取水方式 | 涡轮增压中冷 | 涡轮增压 | 涡轮增压 | 涡轮增压中冷 |
| 缸径/行程(mm) | 125x130 | 125x130 | 125x130 | 125x130 |
| 排量(L) | 12.763 | 15.953 | 19.144 | 19.144 |
| 额定功率(kw) | 206〜243 | 172〜278 | 206〜334 | 230〜410 |
| 额定转速(r / min) | 2300 | 1500〜2300 | 1500〜2300 | 1500〜2300 |
| 最大扭矩/速度(Nm /(r / min) | 1002/1500 | 1400/1400 | 1650/1500 | 1800/1500 |
| 最低油耗(g / kwh) | 212 | 215 | 212 | 210 |
| 怠速(rpm) | 600 | 600 | 600 | 600 |
| 排放 | 欧Ⅱ | 欧Ⅱ | 欧Ⅱ | 欧Ⅱ |
| 尺寸(毫米) | 1159x1144x1043 | 1272x1138x1067 | 1380x1573x1192 | 1380x1573x1192 |
| 重量(公斤) | 920 | 1140 | 1250 | 1300 |
| 发动机剖面 |

| 技术指标 |
标准配置
1.消音器
2.空气滤清器
3.鼓风机
4.413系列,带机械式调速器,包括停机电磁铁,513系列,带电子式调速器
5.SAE1尺寸:14 \“齿数:167
6.机油压力传感器,速度传感器,气缸温度传感器,机油温度传感器
7.交流发电机28V
8.起动器24V
9.预热插头24V
10.机油滤清器
11.燃油滤清器
12.燃油滤网
13.空气滤清器
14.英文手册
15.英文备件目录
16.英文测试报告
17. 513系列:套件中的其他材料
(包括一些电连接器和信号灯)
任选配置可选配置
1。散热器
2。连接管
3。中冷器
4。油水分离器
5,其他
其他